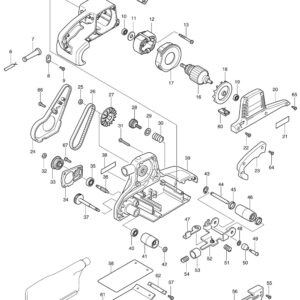
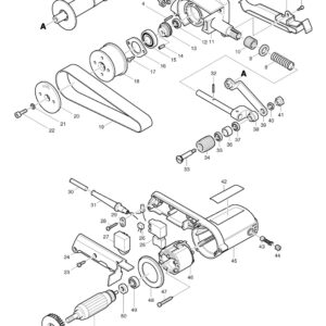
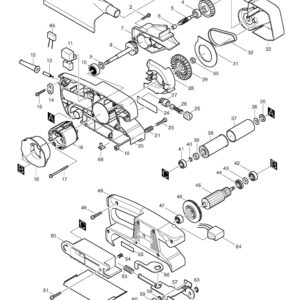
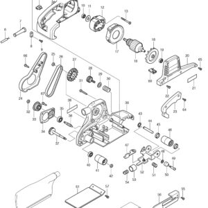
Ahşap Zımpara ve Planya Makinaları