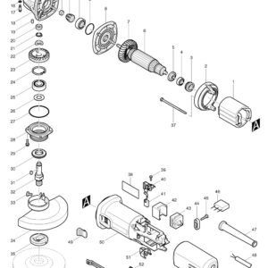
Taşlamalar