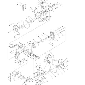
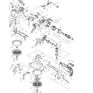
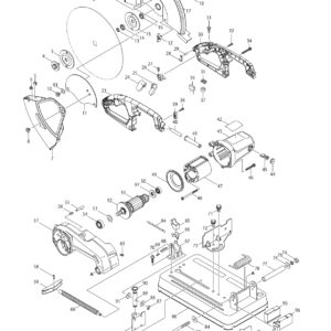
Metal Kesme ve Sac Kesme Makinaları